In order for solar to deliver and prevent disappointment, you need to engineer the system properly and know your actual budget, not just dollar wise, but power wise.
Visit our Power Budget page for more info.
Plan for producing less than 80% of the panel rating in Watts. In our experience reaching 80% output is just not the norm.
The picture below is from a recent swap out of panels.
To offset the 80% bottleneck you may want to overpanel your system.
To do this you need to know both the maximum Voltage input and maximum Amperage output of your MPPT Charge Controller
The SCC we are using in the link below is a 150V Max input and 70A max output.
To calculate our panel wattage multiply the Max Output Amps by the Battery Voltage, in this case we are using 12V batteries and have 70A output so that gives us: 12*70=840W.
We are using 36V panels connected in parallel so we do not need to worry about the voltage limits of the SCC. Since we have plenty of real estate for more panels we will go with (4) of the 405W panels or 1620W. This will help ensure that we can provide 70A to the batteries in all but the worst of solar weather.
For the test below we only had (3) of the 405W panels, but will be adding the 4th panel this winter and will update when completed.
The original system consisted of (10) - 100W standard panels that are for 12V systems, meaning they produce up to about 20V and then convert that to nominal 12V, usually between 13-14V depending on battery chemistry which you need to input in your Solar Charge Controller (SCC).
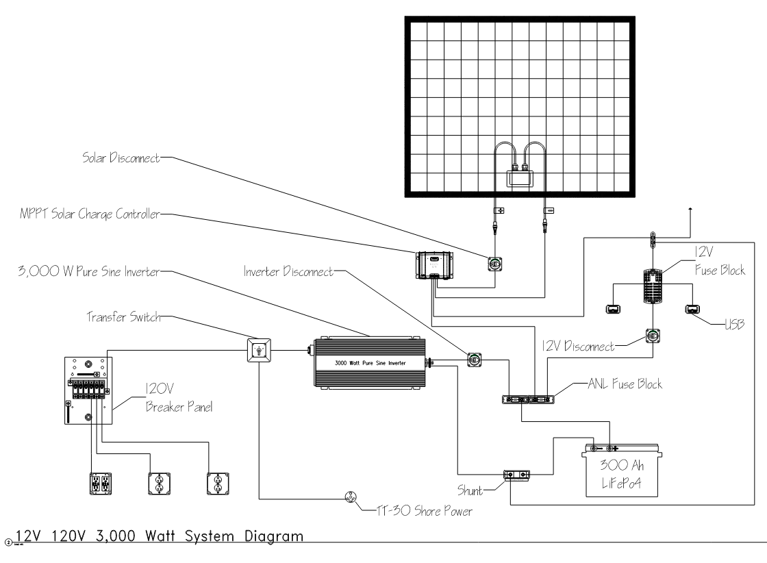
Both systems are wired in Parallel, Panels and Batteries.
The SCC for this system is a:
Victron Energy SmartSolar MPPT Tr Solar Charge Controller (Bluetooth) - 150V, 70 amp, 12/24/36/48-Volt
First we replaced the batteries, swapped out the (4) - 100ah LifePo4 and installed (2) - 300ah LifePo4 batteries.
We hooked up the old panels to the new batteries and read the max output via the MPPT SCC, which as you can see was 604W.
Then we disconnected the panels and did not charge the batteries any further until we could connect the new panels.
Then we swapped out the panels to (3) - 405W panels with a higher voltage rating at 31.35V.
This is where we confirmed using higher voltage panels is the way to go.
Roughly the same time of day so the sun was in nearly identical position, clear with zero clouds and temps in low 80's to keep it fair.
The lower voltage panels were only supplying 60% of their rated potential and 43.3 Amps to the batteries.
(Old panels were approximately 3 years old and cleaned before testing)
The brand new higher voltage panels were putting out 78% of their rated potential and 66.1 Amps or a 52.6% increase in Amps to the battery.
Wattage went from 604W to 952W or a 57.6% increase, even though it was only a 21.5% increase in rated wattage.
Click on pictures to see full size image
For background info:
Old 100W panels were roughly 2ft x 3ft in size
New 405W panels were roughly 4ft x 6ft in size
Bottom line, if you have room for larger, higher voltage panels and you have an SCC that can handle them, you will be much happier with the outcome than trying to use the small 12V panels.



We can also provide pick up and/or provide delivery of your finished CTC trailer anywhere in the lower 48 states for $1.75/mile from our shop to your chosen pickup location
We can haul/deliver any type of trailer, bumper pull, gooseneck, or 5th wheel
We are always willing to help answer questions about this system and how you might adapt to your specific needs
If you are interested in having us assist in the design and or build your CTC, please contact us and we will help you develop a system that will meet your needs
Feel free to browse our other site HDCustomFab.com for more information about some of our past builds and projects

